ËùÊô·ÖÀֱࣺÁ÷ÎÞË¢µç»úÇý¶¯Æ÷
ËùÊôϵÁУºFOCϵÁÐ
¸üÐÂÈÕÆÚ£º2025-03-10


Æ·ÅÆ£º°¬Ë¼¿Ø ÐͺţºAQMD2408BLS-MF µçѹ¹æÄ££º9-24V ¶î¶¨µçÁ÷£º8A ×î´óµçÁ÷£º16A(±¶Á÷)/10A(·Ç±¶Á÷) ¿ØÖÆÐźţºµçλÆ÷¡¢Ä£ÄâÁ¿¡¢PWM¡¢Âö³å¡¢ÆµÂÊ¡¢¿ª¹Ø¡¢RS485/CAN µ÷ËÙ·½·¨£ºÕ¼¿Õ±È¡¢±Õ»·µ÷ËÙ¡¢Î»ÖÿØÖÆ¡¢Á¦¾Ø¿ØÖÆ ÊÊÓõç»ú£ºÖ±Á÷ÓиÐÎÞË¢µç»ú ×î´óÆ¥Åäµç»ú£º12V-45W£¬ 24V-130W |
|
| ¡¡¡¡AQMD_BLSϵÁеç»úÇý¶¯Æ÷ʹÓÃÏȽøµÄµç»úµçÁ÷׼ȷ¼ì²âÊÖÒÕ¡¢ÓиÐÎÞË¢µç»ú×Ô²âËÙ¡¢ÓиÐÎÞË¢µç»úת¶¯Î»Öüì²â¡¢ÔÙÉúµçÁ÷ºãµçÁ÷ÖÆ¶¯Óë¼ÓËÙÂÊ¿ØÖÆÊÖÒÕºÍPIDµ÷ÀíÊÖÒÕ¿ÉÍêÉÆµØ¿ØÖƵç»úƽÎÈÕý·´×ª¡¢»»Ïò¼°Öƶ¯£¬Êä³öµçÁ÷ʵʱµ÷¿Ø±ÜÃâ¹ýÁ÷£¬¾«×¼¿ØÖƵç»úתËÙºÍת¶¯Î»Ö㬵ç»úÏìӦʱ¼ä¶ÌÇÒ·´³åÁ¦Ð¡¡£ | |
¹¦Ð§Ìصã¡ô µçѹ¹æÄ£9~24V£¬¶î¶¨Êä³öµçÁ÷8A£¬×î´óµçÁ÷16A£» |
¡¡¡¡µç»úµÄÈýµçÔ´Ïß»òÈý»ô¶ûÐźÅÏߣ¬¿É²»°´Ë³ÐòÓëÇý¶¯Æ÷ÅþÁ¬£¬Ö»ÐèÒ»¼ü²Ù×÷£¬¶Ôµç»ú»ô¶û˳Ðò¾ÙÐÐѧϰ,ͨ¹ý¶Ôµç»ú6´Î»»Ïò¿ØÖƺóѧϰ¼´Íê³É£¬µç»ú·½¿ÉÕý³£Çý¶¯¡£ |

| ¡¡¡¡Ö§³ÖµçλÆ÷¡¢Ä£ÄâÁ¿¡¢PWM/ƵÂÊ/Âö³å¡¢485/CAN¶àÖÖ¿ØÖÆÐźţ¬Ö§³Öµç»ú¿ª»·µ÷ËÙ¡¢±Õ»·µ÷ËÙ¡¢Î»ÖÿØÖÆ¡¢Á¦¾Ø¿ØÖƶàÖÖÊÂÇéģʽ¡£ |

| ¡¡¡¡Ö§³Ö±¶Á÷Êä³ö£¬´Ó¶øÊµÏÖÖÁ¶à2±¶¶î¶¨Á¦¾ØÆô¶¯ºÍ2±¶¶î¶¨Á¦¾Ø³¬ÔØÔËÐУ»¿ÉÉ趨±¶Á÷ʱ¼ä£¬±ÜÃâµç»ú³¤Ê±¼ä³¬ÔØÔËÐжøË𻵣»Í¬Ê±£¬Çý¶¯Æ÷¶ÔÄÚ²¿Î¶Èʵʱ¼à¿Ø£¬µ±Î¶ȵִïÉ趨ֵʱ£¬½ûÓñ¶Á÷»ò¹Ø¶ÏÊä³ö£¬´Ó¶øÑÚ»¤Çý¶¯Æ÷¡£ |

| ¡¡¡¡Çý¶¯Æ÷ʱ¼ä-λÖñջ·µ÷ËÙËã·¨¿Éʹµç»úÔÚµÍËÙÔËÐÐʱ¸ÕÐÔÇ¿£¬µÍÖÁ60RPMתËÙÒ²¿É¶¦Á¦´ó¾Ù¾Ø±Õ»·µ÷ËÙ¿ØÖÆ¡£ |

| ¡¡¡¡Çý¶¯Æ÷ÏȽøµÄλÖÿØÖÆËã·¨¿Éƾ֤¸ø¶¨µÄ¼ÓËÙÂʺÍ×î´óËÙÂÊÆ¾Ö¤Å£¶ÙÔ˶¯¶¨ÂÉ¿ØÖƵç»úÔÚ¸ßËÙÔËÐÐÇéÐÎÏÂÒ²Äܾ«×¼Æ½ÎȹÌλ¡£ |

| ¡¡¡¡¿É¿ØÖƵç»ú±¬·¢Óëµç»úת¶¯Æ«ÏòÏà·´µÄת¾Ø²¢¾ÙÐмÓËÙÂÊ¿ØÖÆ£¬´Ó¶øÎÞÂÛˮƽ»òÊúÖ±Ô˶¯£¬±Õ»·µ÷ËÙºÍλÖÿØÖƾùÄܿɿ¿¿ØÖÆ¡£ |

| ¡¡¡¡³¡¶¨ÏòʸÁ¿¿ØÖÆ£¨FOC£©ÎªSVPWMÊä³ö·½·¨£¬¾ßÓеç»úÊä×ÅÁ¦¾ØÂö¶¯Ð¡¡¢ÔëÉùСµÄÌØµã£¬Çý¶¯Æ÷¿ª»·µ÷ËÙ¡¢±Õ»·µ÷ËÙºÍλÖÿØÖƾùÖ§³ÖFOC·½·¨£¬²¢Ö§³Ö·½²¨Çý¶¯·½·¨ÓëFOC·½·¨×ÔÓÉÇл»¡£ |

| ¡¡¡¡¹ØÓÚͨÀýµÄÔ˶¯Àú³Ì¿ØÖÆ£¬¿Éͨ¹ýÒ»¶Î×Ô½ç˵Àú³Ì¾ç±¾ÊµÏÖÔ˶¯Àú³ÌÂß¼¿ØÖÆ£¬´Ó¶øÊ¡µôPLCÕâÑùµÄÂß¼¿ØÖÆÆ÷¡£ |

| ¡¡¡¡µçѹ¡¢µçÁ÷¡¢Î¶Èʵʱ¼à¿Ø£¬¹ýÈÈ¡¢¹ýÁ÷¡¢¶Âת¡¢Òì³£µçÁ÷ÑÚ»¤¡¢¹²Ä£µçѹÑÚ»¤¶àÖØÑÚ»¤£¬Çý¶¯Æ÷ÊÂÇé¸üÎȹ̿ɿ¿¡£ |


¡¡¡¡×¢£ºÅäͨÀý¼õËÙ»úºó±¾Çý¶¯Æ÷¿ÉʵÏÖ1mm»ò1¶È¾«¶ÈµÄ¶¨Î»¿ØÖÆ¡£
¡¡¡¡×¢£º¶î¶¨µçÁ÷Ϊ³£ÎÂͨÀý͸·çÇéÐγ¤Ê±¼äÏÞÁ÷¶Âתºó¹¦ÂʹÜÖÜΧζȲ»Áè¼Ý85¡æµÄµçÁ÷¡£
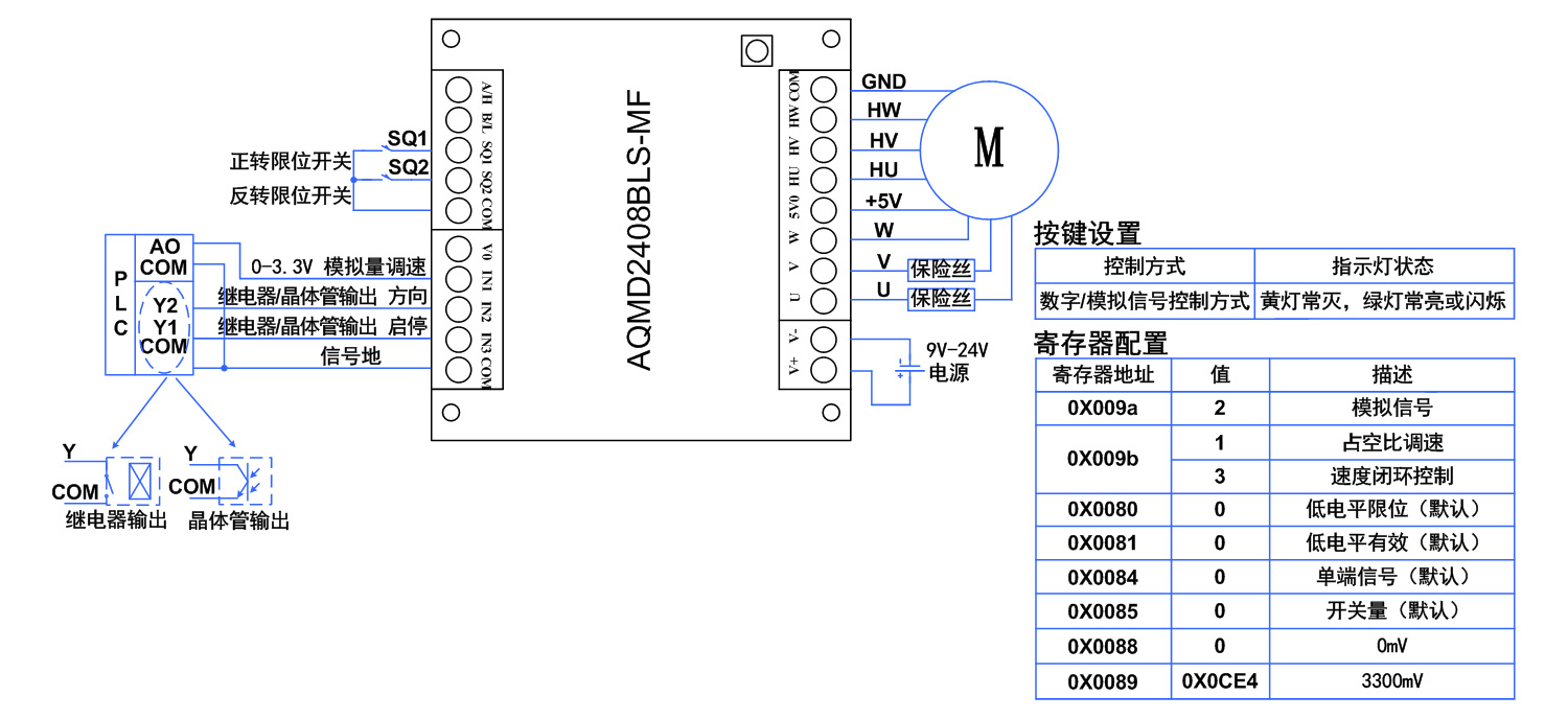
µä·¶Ó÷¨1. µ¥µçλÆ÷Õ¼¿Õ±È/±Õ»·µ÷Ëٵ㶯¿ØÖƵĽӷ¨

| ¡¡¡¡µã¶¯¿ØÖÆ·½·¨Ê¹ÓõçλÆ÷µ÷ËÙµÄÊÂÇéÀú³ÌΪ£º°´ÏÂB1£¬µç»úÕýת£¬Ê¹ÓõçλÆ÷µ÷ËÙ£»B1µ¯Æð£¬µç»ú×èÖ¹£»µ±ÕýתÏÞλºóµç»ú×èÖ¹£¬ÔÙ°´B1ÎÞЧ£»°´ÏÂB2£¬µç»ú·´×ª£¬Ê¹ÓõçλÆ÷µ÷ËÙ£»B2µ¯Æð£¬µç»ú×èÖ¹£»µ±·´×ªÏÞλʱµç»ú×èÖ¹£¬ÔÙ°´B2ÎÞЧ¡£ |
2. PLCÄ£ÄâÐźÅÕ¼¿Õ±È/±Õ»·µ÷ËٵĽӷ¨

| ¡¡¡¡´Ë½Ó·¨µÄÊÂÇéÀú³ÌΪ£ºIN1ÓëPLCµÄAO¶Ë¿ÚÅþÁ¬£¬ÓÃÓÚµ÷ËÙ£»IN2ÓëPLCµÄY2ÅþÁ¬£¬¿ØÖƵç»úÆ«Ïò£»IN3ÓëPLCµÄY1ÅþÁ¬£¬¿ØÖƵç»ú½ôÆÈ×èÖ¹¡£ |
3. µ¥Æ¬»úPWMÐźÅÕ¼¿Õ±È/±Õ»·µ÷ËٵĽӷ¨

| ¡¡¡¡´Ë½Ó·¨µÄÊÂÇéÀú³ÌΪ£ºµ¥Æ¬»úµÄµçÔ´µØ½ÓÇý¶¯Ä£¿éµÄCOM¿Ú£»IN1½Å½Óµ¥Æ¬»úµÄPWMµÄÊä³ö£¬ÓÃÓÚµ÷ËÙ£»IN2ºÍIN3Ó뵥Ƭ»úµÄÁ½¸öIOÏàÁ¬£¬¿ØÖƵç»úÕý·´×ª¼°½ôÆÈÖÆ¶¯¡£ |
4. µ¥Æ¬»úÂö³åÐźÅλÖÿØÖƵĽӷ¨

| ¡¡¡¡´Ë½Ó·¨µÄÊÂÇéÀú³ÌΪ£ºµ¥Æ¬»úµÄµçÔ´µØ½ÓÇý¶¯Ä£¿éµÄCOM¿Ú£»IN1Ó뵥Ƭ»úµÄIO1ÏàÁ¬£¬À´È·¶¨Âö³åµÄ¸öÊý£¬ÓÃÓÚµç»úλÖÿØÖÆ£»VOÓ뵥Ƭ»úµÄIO0ÏàÁ¬£¬ÓÃÓÚÍê³ÉÐźſØÖÆ£»IN2ºÍIN3Ó뵥Ƭ»úµÄÁ½¸öIOÏàÁ¬£¬¿ØÖƵç»úÕý·´×ª¼°½ôÆÈÖÆ¶¯¡£ |
5. 485¶àÕ¾µã¿ØÖƵĽӷ¨

| ¡¡¡¡Ã¿Ì¨Çý¶¯Æ÷µÄ485ͨѶÏß°´A-A¡¢B-BµÄ·½·¨²¢Áªºó¸úһ̨485Ö÷Õ¾ÏàÁ¬£¬485Ö÷վͨ¹ýÇý¶¯Æ÷ÉèÖõĴÓÕ¾µØµãÀ´¶Ôÿ̨Çý¶¯Æ÷×ÔÁ¦²Ù×÷¡£Ã¿Ò»¸öÇý¶¯Æ÷ÉèÖõĵصãÓ¦²î±ð£¬²»¿ÉÓëÆäËüÇý¶¯ÖØÊÓ¸´¡£ |
6. CAN¶à½Úµã¿ØÖƵĽӷ¨

| ¡¡¡¡Ã¿Ì¨Çý¶¯Æ÷µÄCANͨѶÏß°´CANH-CANH¡¢CANL-CANLµÄ·½·¨²¢ÁªºóÓëCAN¿Í»§¶ËÏàÁ¬£¬ÔÚCAN×ÜÏßÉÏÖÁÉÙ²¢ÁªÒ»¸ö120¦¸µÄµç×裬CAN¿Í»§¶Ëͨ¹ýÇý¶¯Æ÷ÉèÖõĽڵãIDÀ´¶Ôÿ̨Çý¶¯Æ÷×ÔÁ¦²Ù×÷¡£Ã¿Ò»¸öÇý¶¯Æ÷ÉèÖõĽڵãIDÓ¦²î±ð£¬²»¿ÉÓëÆäËüÇý¶¯ÖØÊÓ¸´¡£ |
ÌṩPC»úʾÀý³ÌÐò£¬¿ÉÓÃÀ´ÉèÖòÎÊý¡¢µ÷ÊÔµç»ú»ò¶þ´Î¿ª·¢¡£


AQMD_BLSϵÁÐÖ±Á÷ÓиÐÎÞË¢µç»úÇý¶¯Æ÷Ñ¡Ðͱí
